Pression du câble – 10401111300001 pour LM C38A

Pièce détachées d’origine Sumec portant la référence 10401111300001 dont la dénomination est Pression du câble pour Tondeuse Hélicoïdale LM C38A
Pièce détachées d’origine Sumec portant la référence 10401111300001 dont la dénomination est Pression du câble pour Tondeuse Hélicoïdale LM C38A
Cette pièce détachée de haute qualité dont le fabriquant est Sumec, est conçue pour le remplacement de la(es) référence(s) pour le(s) modèle(s) suivant(s) :
LM C38A
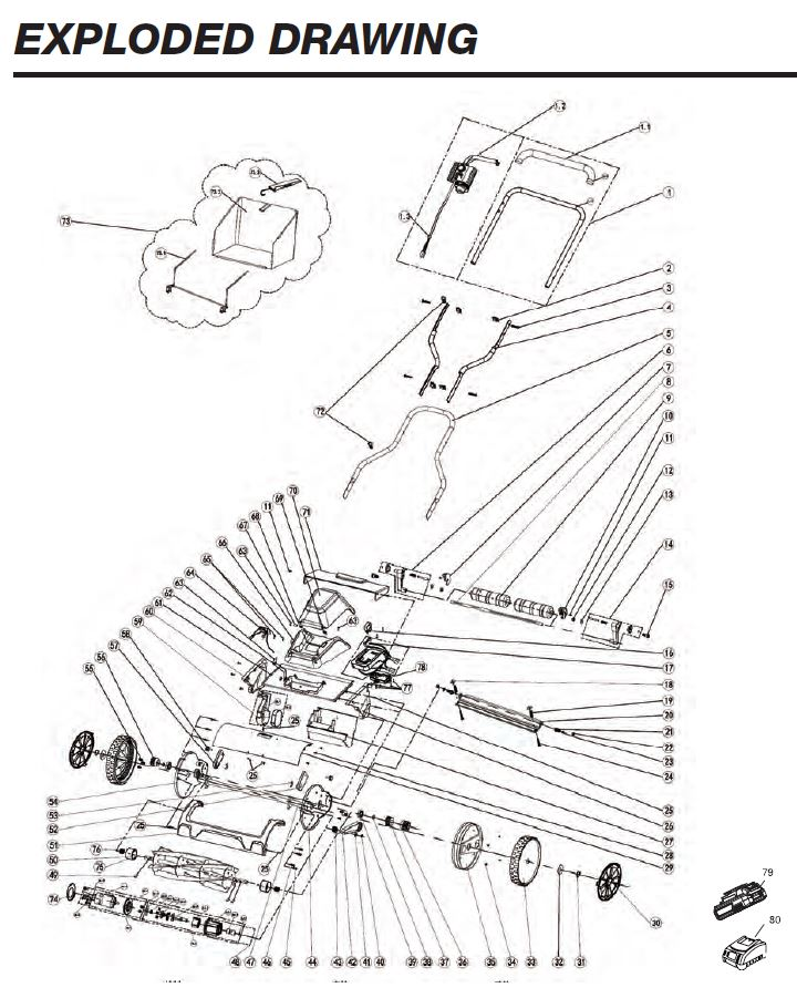
Cette pièce porte le numéro 62 dans le plan éclaté de l’appareil Tondeuse Hélicoïdale LM C38A
Câble, ressort, tige, collier disponible sur Jardin-affaires.com
Câble, ressort, tige, collier Pression du câble – 10401111300001 pour LM C38A
Prix conseillé : 891,00 €