Support de rouleau gauche – 10204917000001 pour LM C38A

Pièce détachées d’origine Sumec portant la référence 10204917000001 dont la dénomination est Support de rouleau gauche pour Tondeuse Hélicoïdale LM C38A
Pièce détachées d’origine Sumec portant la référence 10204917000001 dont la dénomination est Support de rouleau gauche pour Tondeuse Hélicoïdale LM C38A
Cette pièce détachée de haute qualité dont le fabriquant est Sumec, est conçue pour le remplacement de la(es) référence(s) pour le(s) modèle(s) suivant(s) :
LM C38A
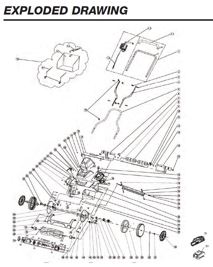
Cette pièce porte le numéro 14 dans le plan éclaté de l’appareil Tondeuse Hélicoïdale LM C38A
Support disponible sur Jardin-affaires.com
Support Support de rouleau gauche – 10204917000001 pour LM C38A
Prix conseillé : 9,00 €