Réparer la lame – 10101901800101 pour LM C38A

Pièce détachées d’origine Sumec portant la référence 10101901800101 dont la dénomination est Réparer la lame pour Tondeuse Hélicoïdale LM C38A
Pièce détachées d’origine Sumec portant la référence 10101901800101 dont la dénomination est Réparer la lame pour Tondeuse Hélicoïdale LM C38A
Cette pièce détachée de haute qualité dont le fabriquant est Sumec, est conçue pour le remplacement de la(es) référence(s) pour le(s) modèle(s) suivant(s) :
LM C38A
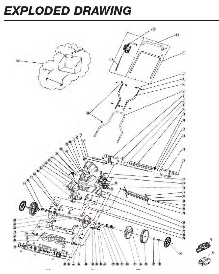
Cette pièce porte le numéro 20 dans le plan éclaté de l’appareil Tondeuse Hélicoïdale LM C38A
Pièces détachées & conso disponible sur Jardin-affaires.com
Pièces détachées & conso Réparer la lame – 10101901800101 pour LM C38A
Prix conseillé : 891,00 €