Printemps – 2611125035201 pour LM C38A

Pièce détachées d’origine Sumec portant la référence 2611125035201 dont la dénomination est Printemps pour Tondeuse Hélicoïdale LM C38A
Pièce détachées d’origine Sumec portant la référence 2611125035201 dont la dénomination est Printemps pour Tondeuse Hélicoïdale LM C38A
Cette pièce détachée de haute qualité dont le fabriquant est Sumec, est conçue pour le remplacement de la(es) référence(s) pour le(s) modèle(s) suivant(s) :
LM C38A
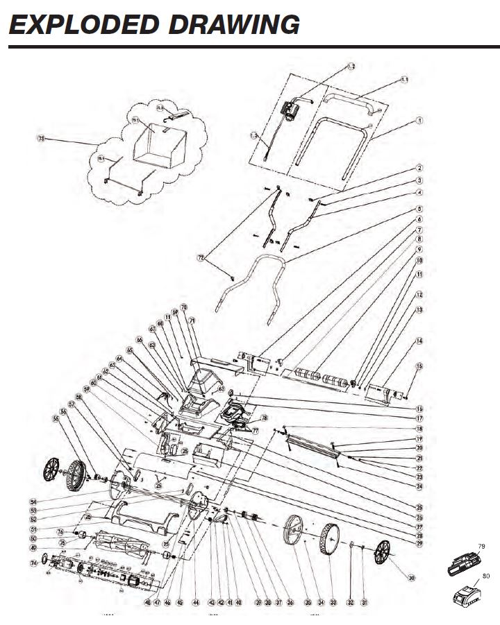
Cette pièce porte le numéro 19 dans le plan éclaté de l’appareil Tondeuse Hélicoïdale LM C38A
Pièces détachées & conso disponible sur Jardin-affaires.com
Pièces détachées & conso Printemps – 2611125035201 pour LM C38A
Prix conseillé : 891,00 €