Sélectionner une page

Noix – 21202019 pour LM C38A

Noix - 21202019 pour LM C38A - Pièces détachées & conso
Pièce détachées d’origine Sumec portant la référence 21202019 dont la dénomination est Noix pour Tondeuse Hélicoïdale LM C38A
Pièce détachées d’origine Sumec portant la référence 21202019 dont la dénomination est Noix pour Tondeuse Hélicoïdale LM C38A
Cette pièce détachée de haute qualité dont le fabriquant est Sumec, est conçue pour le remplacement de la(es) référence(s) pour le(s) modèle(s) suivant(s) :

LM C38A

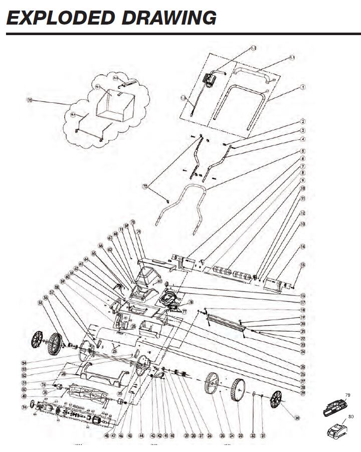
Cette pièce porte le numéro 22 dans le plan éclaté de l’appareil Tondeuse Hélicoïdale LM C38A
Pièces détachées & conso disponible sur Jardin-affaires.com
Pièces détachées & conso Noix – 21202019 pour LM C38A
Prix conseillé : 891,00 €