Indicateur du rouleau de réglage de la hauteur de coupe (droite) – 10204905700001 pour LM C38A

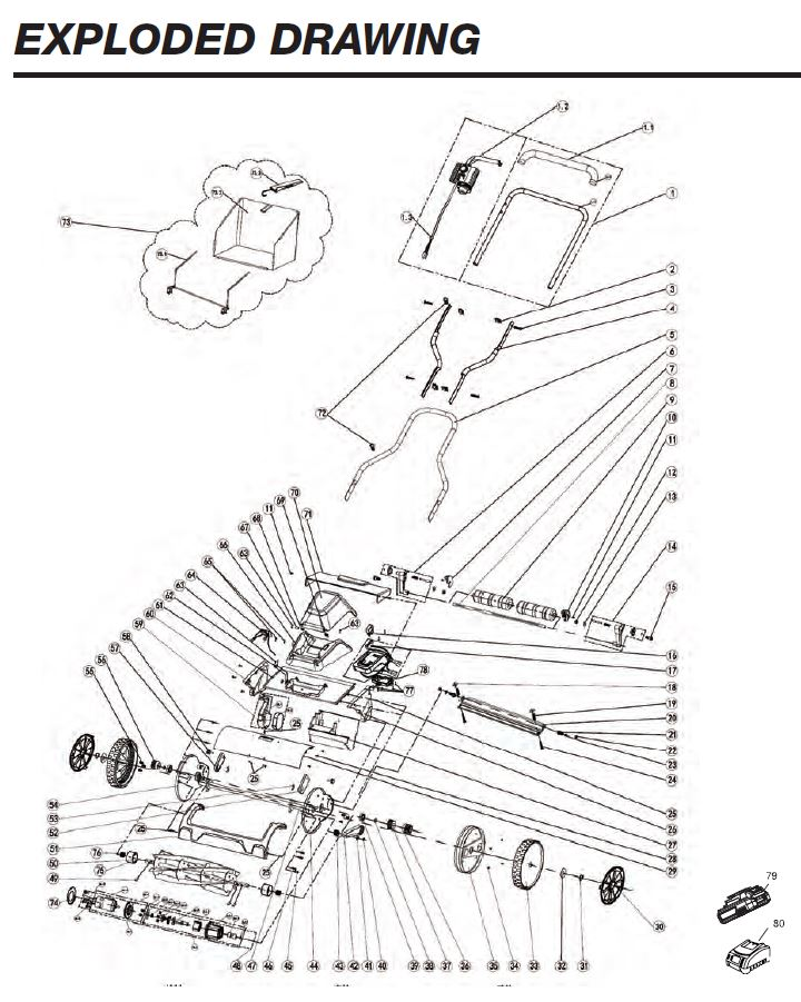
Pièce détachées d’origine Sumec portant la référence 10204905700001 dont la dénomination est Indicateur du rouleau de réglage de la hauteur de coupe (droite) pour Tondeuse Hélicoïdale LM C38A
Pièce détachées d’origine Sumec portant la référence 10204905700001 dont la dénomination est Indicateur du rouleau de réglage de la hauteur de coupe (droite) pour Tondeuse Hélicoïdale LM C38A
Cette pièce détachée de haute qualité dont le fabriquant est Sumec, est conçue pour le remplacement de la(es) référence(s) pour le(s) modèle(s) suivant(s) :
LM C38A
Cette pièce porte le numéro 7 dans le plan éclaté de l’appareil Tondeuse Hélicoïdale LM C38A
Pièces détachées & conso disponible sur Jardin-affaires.com
Pièces détachées & conso Indicateur du rouleau de réglage de la hauteur de coupe (droite) – 10204905700001 pour LM C38A
Prix conseillé : 891,00 €