Couvercle de décharge latérale – 1051335000 pour INV T14046, INV T1456 H2

Pièce détachées d’origine Sumec portant la référence 1051335000 dont la dénomination est Couvercle de décharge latérale pour Tondeuse Thermique INV T14046, Tondeuse Thermique INV T1456 H2
Pièce détachées d’origine Sumec portant la référence 1051335000 dont la dénomination est Couvercle de décharge latérale pour Tondeuse Thermique INV T14046, Tondeuse Thermique INV T1456 H2
Cette pièce détachée de haute qualité dont le fabriquant est Sumec, est conçue pour le remplacement de la(es) référence(s) pour le(s) modèle(s) suivant(s) :
INV T14046, INV T1456 H2
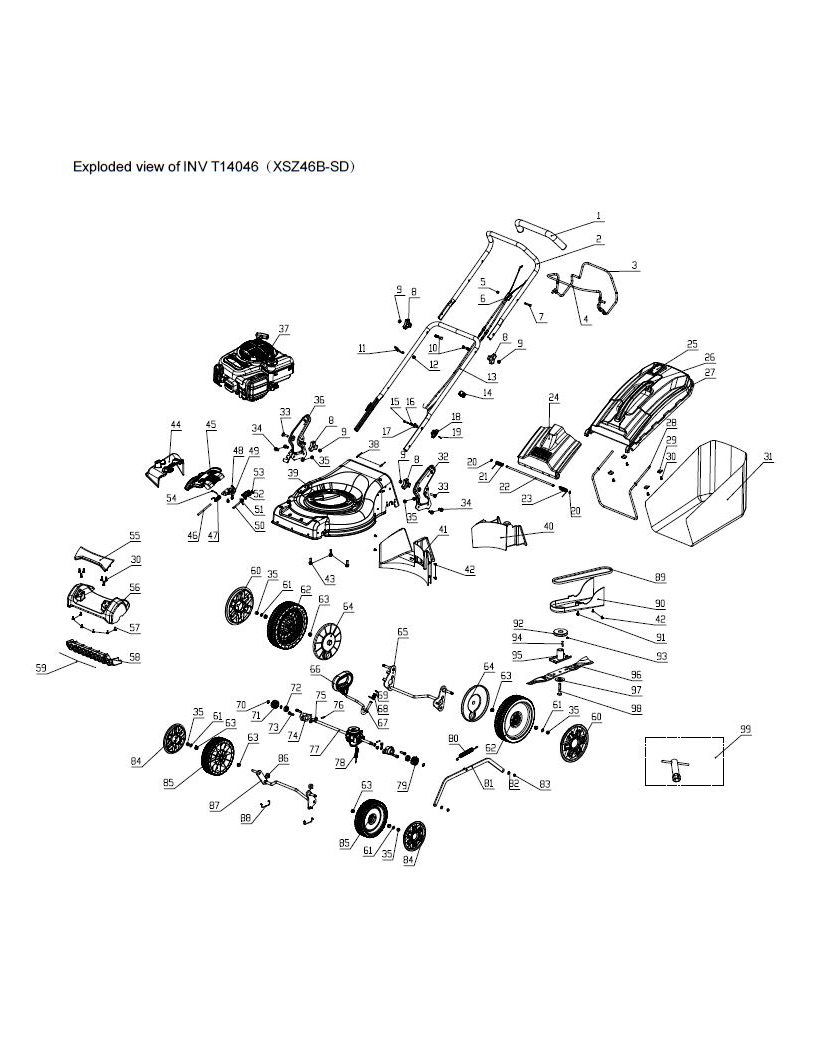
Cette pièce porte le numéro 45 dans le plan éclaté de l’appareil Tondeuse Thermique INV T14046
Cette pièce porte le numéro 46 dans le plan éclaté de l’appareil Tondeuse Thermique INV T1456 H2
Pièces détachées & conso disponible sur Jardin-affaires.com
Pièces détachées & conso Couvercle de décharge latérale – 1051335000 pour INV T14046, INV T1456 H2
Prix conseillé : 8,40 €