Chargeur – 240128001 pour LM C38A

Pièce détachées d’origine Sumec portant la référence 240128001 dont la dénomination est Chargeur pour Tondeuse Hélicoïdale LM C38A
Pièce détachées d’origine Sumec portant la référence 240128001 dont la dénomination est Chargeur pour Tondeuse Hélicoïdale LM C38A
Cette pièce détachée de haute qualité dont le fabriquant est Sumec, est conçue pour le remplacement de la(es) référence(s) pour le(s) modèle(s) suivant(s) :
LM C38A
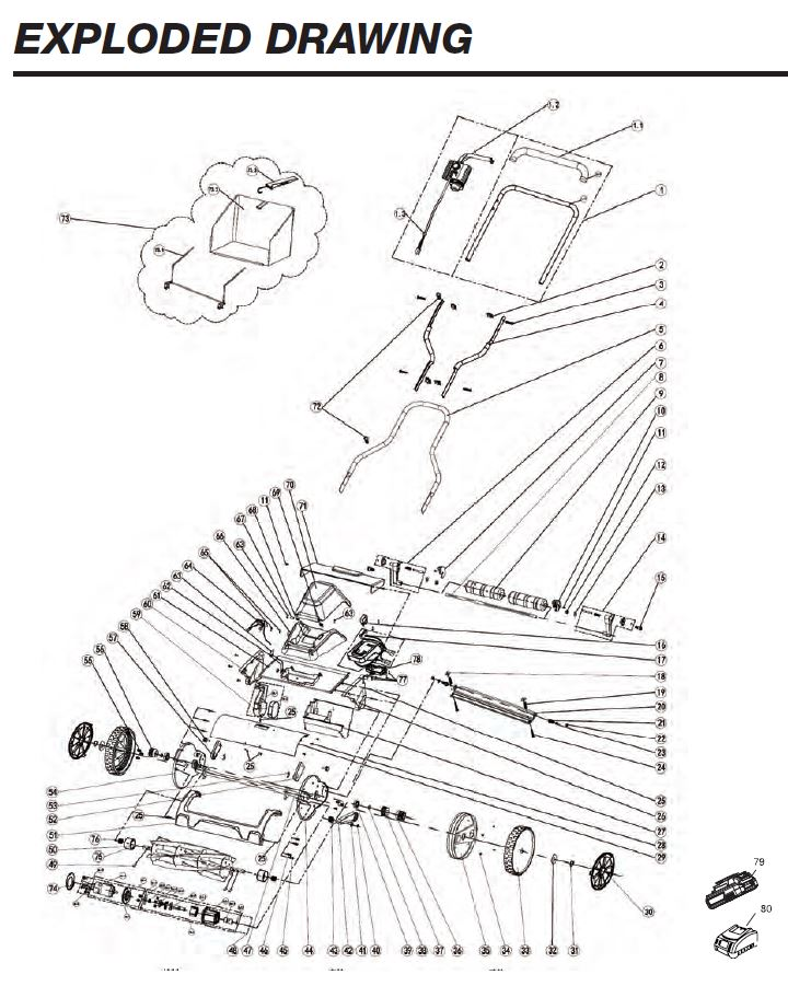
Cette pièce porte le numéro 80 dans le plan éclaté de l’appareil Tondeuse Hélicoïdale LM C38A
Chargeur de batterie disponible sur Jardin-affaires.com
Chargeur de batterie Chargeur – 240128001 pour LM C38A
Prix conseillé : 59,40 €