Capuchon à tête creuse hexagonale M8X25 – 2600232000 pour INV T14046, INV T1456 H2, INV T17051 H SPE, INV T17051 SPE

Pièce détachées d’origine Sumec portant la référence 2600232000 dont la dénomination est Capuchon à tête creuse hexagonale M8X25 pour Tondeuse Thermique INV T14046, Tondeuse Thermique INV T1456 H2, Tondeuse Thermique INV T17051 H SPE, Tondeuse Thermique INV T17051 SPE, Tondeuse Thermique INV T17051 SPE DE, Tondeuse Thermique INV T20053 H SPE, Tondeuse Thermique INV T20053 SPE, Tondeuse Thermique INV T20053 SPE DE, Tondeuse Thermique PROXIMA XSZ46E, Rider tondeuse autoportée E 559
Pièce détachées d’origine Sumec portant la référence 2600232000 dont la dénomination est Capuchon à tête creuse hexagonale M8X25 pour Tondeuse Thermique INV T14046, Tondeuse Thermique INV T1456 H2, Tondeuse Thermique INV T17051 H SPE, Tondeuse Thermique INV T17051 SPE, Tondeuse Thermique INV T17051 SPE DE, Tondeuse Thermique INV T20053 H SPE, Tondeuse Thermique INV T20053 SPE, Tondeuse Thermique INV T20053 SPE DE, Tondeuse Thermique PROXIMA XSZ46E, Rider tondeuse autoportée E 559
Cette pièce détachée de haute qualité dont le fabriquant est Sumec, est conçue pour le remplacement de la(es) référence(s) pour le(s) modèle(s) suivant(s) :
INV T14046, INV T1456 H2, INV T17051 H SPE, INV T17051 SPE, INV T17051 SPE DE, INV T20053 H SPE, INV T20053 SPE, INV T20053 SPE DE, PROXIMA XSZ46E, E 559
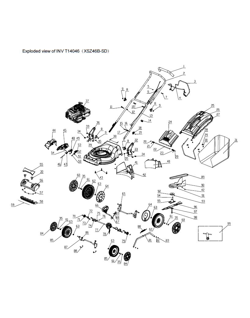
Cette pièce porte le numéro 73 dans le plan éclaté de l’appareil Tondeuse Thermique INV T14046
Cette pièce porte le numéro 74 dans le plan éclaté de l’appareil Tondeuse Thermique INV T1456 H2
Cette pièce porte le numéro 94 dans le plan éclaté de l’appareil Tondeuse Thermique INV T17051 H SPE
Cette pièce porte le numéro 88 dans le plan éclaté de l’appareil Tondeuse Thermique INV T17051 SPE
Cette pièce porte le numéro 90 dans le plan éclaté de l’appareil Tondeuse Thermique INV T17051 SPE DE
Cette pièce porte le numéro 88 dans le plan éclaté de l’appareil Tondeuse Thermique INV T20053 H SPE
Cette pièce porte le numéro 84 dans le plan éclaté de l’appareil Tondeuse Thermique INV T20053 SPE
Cette pièce porte le numéro 90 dans le plan éclaté de l’appareil Tondeuse Thermique INV T20053 SPE DE
Cette pièce porte le numéro 53 dans le plan éclaté de l’appareil Tondeuse Thermique PROXIMA XSZ46E
Cette pièce porte le numéro 4 dans le plan éclaté de l’appareil Rider tondeuse autoportée E 559
Cette pièce porte le numéro 5 dans le plan éclaté de l’appareil Rider tondeuse autoportée E 559
Cette pièce porte le numéro 20 dans le plan éclaté de l’appareil Rider tondeuse autoportée E 559
Pièces détachées & conso disponible sur Jardin-affaires.com
Pièces détachées & conso Capuchon à tête creuse hexagonale M8X25 – 2600232000 pour INV T14046, INV T1456 H2, INV T17051 H SPE, INV T17051 SPE
Prix conseillé : 7,44 €