Sélectionner une page

Bouchon de réservoir de batterie – 10204914500001 pour LM C38A

Bouchon de réservoir de batterie - 10204914500001 pour LM C38A - Pièces détachées & conso
Pièce détachées d’origine Sumec portant la référence 10204914500001 dont la dénomination est Bouchon de réservoir de batterie pour Tondeuse Hélicoïdale LM C38A
Pièce détachées d’origine Sumec portant la référence 10204914500001 dont la dénomination est Bouchon de réservoir de batterie pour Tondeuse Hélicoïdale LM C38A
Cette pièce détachée de haute qualité dont le fabriquant est Sumec, est conçue pour le remplacement de la(es) référence(s) pour le(s) modèle(s) suivant(s) :

LM C38A

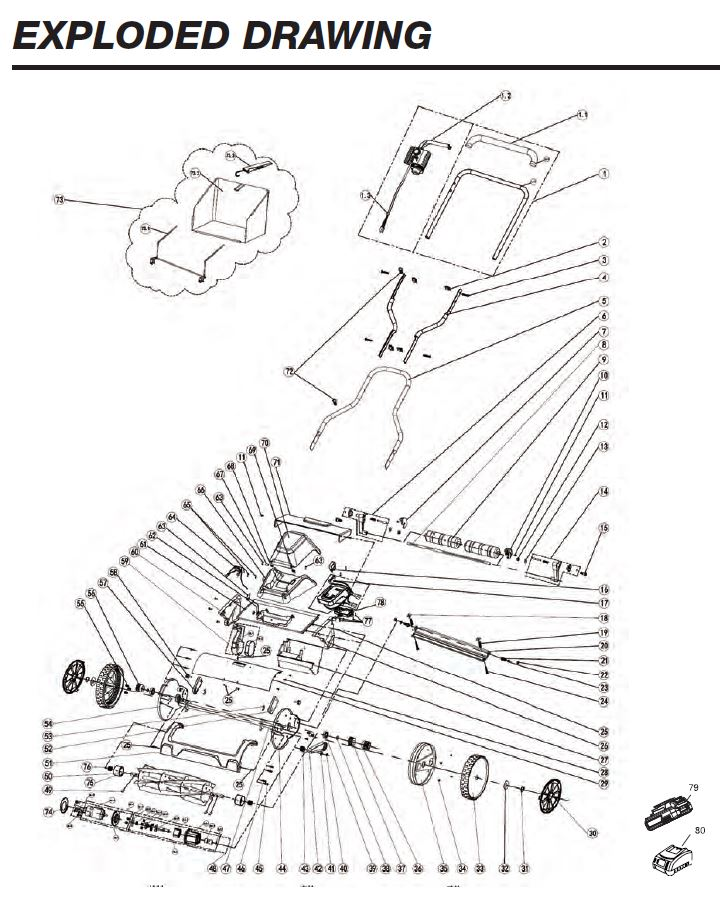
Cette pièce porte le numéro 70 dans le plan éclaté de l’appareil Tondeuse Hélicoïdale LM C38A
Pièces détachées & conso disponible sur Jardin-affaires.com
Pièces détachées & conso Bouchon de réservoir de batterie – 10204914500001 pour LM C38A
Prix conseillé : 891,00 €