Sélectionner une page

Boîtier en aluminium – 10204908100101 pour LM C38A

Boîtier en aluminium - 10204908100101 pour LM C38A - Pièces détachées & conso
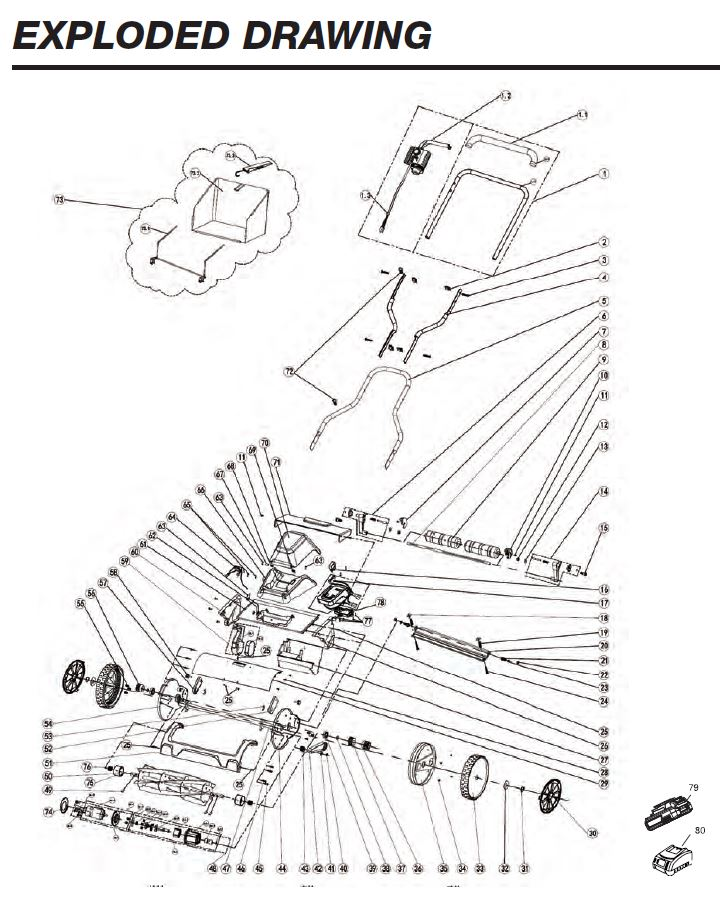
Pièce détachées d’origine Sumec portant la référence 10204908100101 dont la dénomination est Boîtier en aluminium pour Tondeuse Hélicoïdale LM C38A
Pièce détachées d’origine Sumec portant la référence 10204908100101 dont la dénomination est Boîtier en aluminium pour Tondeuse Hélicoïdale LM C38A
Cette pièce détachée de haute qualité dont le fabriquant est Sumec, est conçue pour le remplacement de la(es) référence(s) pour le(s) modèle(s) suivant(s) :

LM C38A

Cette pièce porte le numéro 29 dans le plan éclaté de l’appareil Tondeuse Hélicoïdale LM C38A
Pièces détachées & conso disponible sur Jardin-affaires.com
Pièces détachées & conso Boîtier en aluminium – 10204908100101 pour LM C38A
Prix conseillé : 891,00 €