Axe de roue – 10204929000601 pour LM C38A

Pièce détachées d’origine Sumec portant la référence 10204929000601 dont la dénomination est Axe de roue pour Tondeuse Hélicoïdale LM C38A
Pièce détachées d’origine Sumec portant la référence 10204929000601 dont la dénomination est Axe de roue pour Tondeuse Hélicoïdale LM C38A
Cette pièce détachée de haute qualité dont le fabriquant est Sumec, est conçue pour le remplacement de la(es) référence(s) pour le(s) modèle(s) suivant(s) :
LM C38A
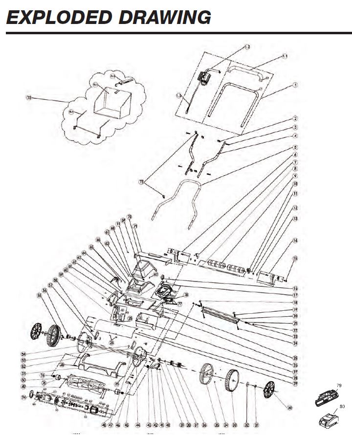
Cette pièce porte le numéro 47 dans le plan éclaté de l’appareil Tondeuse Hélicoïdale LM C38A
Pièces détachées & conso disponible sur Jardin-affaires.com
Pièces détachées & conso Axe de roue – 10204929000601 pour LM C38A
Prix conseillé : 891,00 €