Arbre de verrouillage – 1251813000 pour INV T14046, INV T1456 H2, INV T17051 H SPE, INV T17051 SPE, INV T17051 SPE DE

Pièce détachées d’origine Sumec portant la référence 1251813000 dont la dénomination est Arbre de verrouillage pour Tondeuse Thermique INV T14046, Tondeuse Thermique INV T1456 H2, Tondeuse Thermique INV T17051 H SPE, Tondeuse Thermique INV T17051 SPE, Tondeuse Thermique INV T17051 SPE DE, Tondeuse Thermique INV T20053 H SPE, Tondeuse Thermique INV T20053 SPE, Tondeuse Thermique INV T20053 SPE DE
Pièce détachées d’origine Sumec portant la référence 1251813000 dont la dénomination est Arbre de verrouillage pour Tondeuse Thermique INV T14046, Tondeuse Thermique INV T1456 H2, Tondeuse Thermique INV T17051 H SPE, Tondeuse Thermique INV T17051 SPE, Tondeuse Thermique INV T17051 SPE DE, Tondeuse Thermique INV T20053 H SPE, Tondeuse Thermique INV T20053 SPE, Tondeuse Thermique INV T20053 SPE DE
Cette pièce détachée de haute qualité dont le fabriquant est Sumec, est conçue pour le remplacement de la(es) référence(s) pour le(s) modèle(s) suivant(s) :
INV T14046, INV T1456 H2, INV T17051 H SPE, INV T17051 SPE, INV T17051 SPE DE, INV T20053 H SPE, INV T20053 SPE, INV T20053 SPE DE
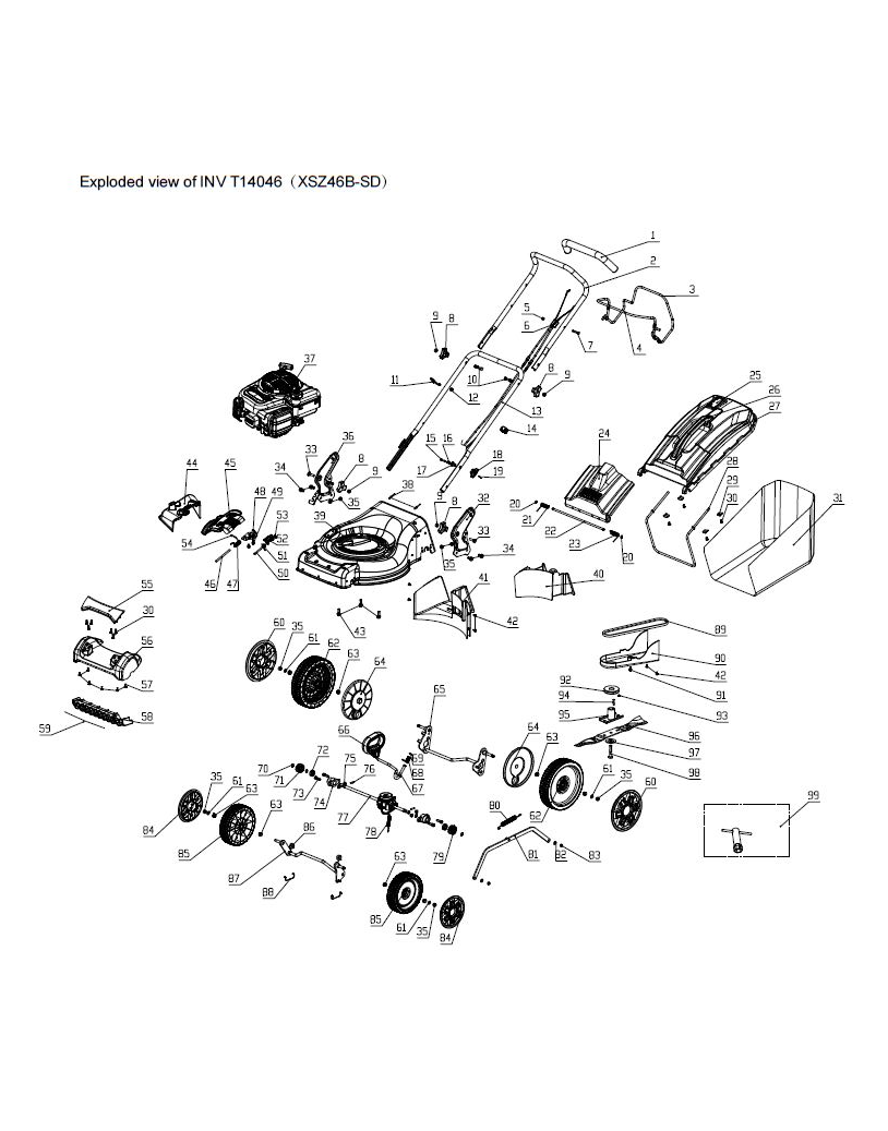
Cette pièce porte le numéro 50 dans le plan éclaté de l’appareil Tondeuse Thermique INV T14046
Cette pièce porte le numéro 51 dans le plan éclaté de l’appareil Tondeuse Thermique INV T1456 H2
Cette pièce porte le numéro 10 dans le plan éclaté de l’appareil Tondeuse Thermique INV T17051 H SPE
Cette pièce porte le numéro 5 dans le plan éclaté de l’appareil Tondeuse Thermique INV T17051 SPE
Cette pièce porte le numéro 5 dans le plan éclaté de l’appareil Tondeuse Thermique INV T17051 SPE DE
Cette pièce porte le numéro 56 dans le plan éclaté de l’appareil Tondeuse Thermique INV T20053 H SPE
Cette pièce porte le numéro 52 dans le plan éclaté de l’appareil Tondeuse Thermique INV T20053 SPE
Cette pièce porte le numéro 5 dans le plan éclaté de l’appareil Tondeuse Thermique INV T20053 SPE DE
Pièces détachées & conso disponible sur Jardin-affaires.com
Pièces détachées & conso Arbre de verrouillage – 1251813000 pour INV T14046, INV T1456 H2, INV T17051 H SPE, INV T17051 SPE, INV T17051 SPE DE
Prix conseillé : 18,96 €