Sélectionner une page

Anneau spatial – 13700209300001 pour LM C38A

Anneau spatial - 13700209300001 pour LM C38A - Pièces détachées & conso
Pièce détachées d’origine Sumec portant la référence 13700209300001 dont la dénomination est Anneau spatial pour Tondeuse Hélicoïdale LM C38A
Pièce détachées d’origine Sumec portant la référence 13700209300001 dont la dénomination est Anneau spatial pour Tondeuse Hélicoïdale LM C38A
Cette pièce détachée de haute qualité dont le fabriquant est Sumec, est conçue pour le remplacement de la(es) référence(s) pour le(s) modèle(s) suivant(s) :

LM C38A

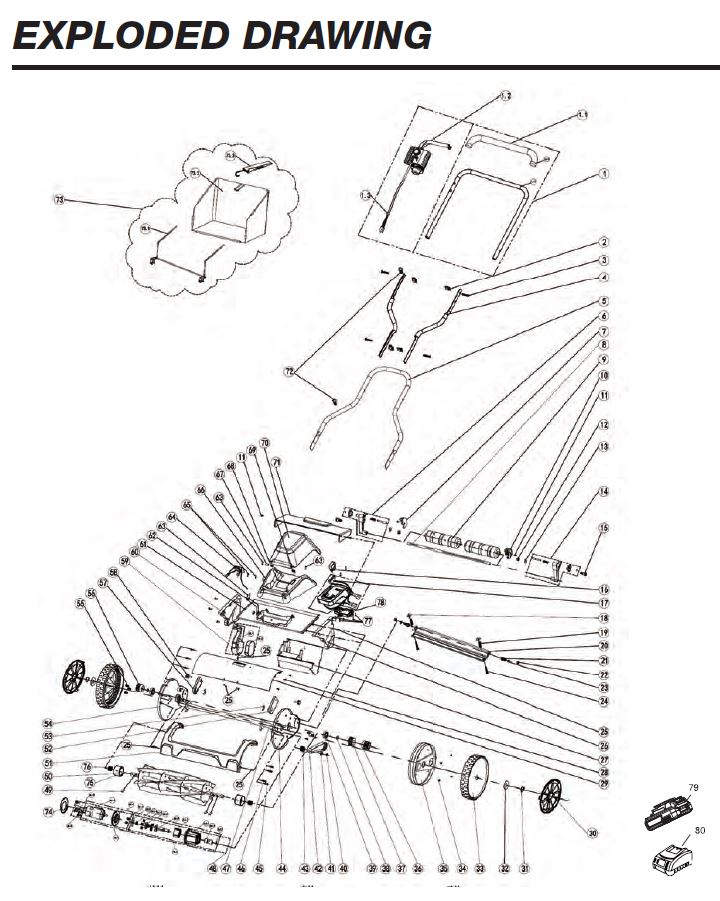
Cette pièce porte le numéro 75 dans le plan éclaté de l’appareil Tondeuse Hélicoïdale LM C38A
Pièces détachées & conso disponible sur Jardin-affaires.com
Pièces détachées & conso Anneau spatial – 13700209300001 pour LM C38A
Prix conseillé : 891,00 €