Anneau de saut – 21207004 pour LM C38A

Pièce détachées d’origine Sumec portant la référence 21207004 dont la dénomination est Anneau de saut pour Tondeuse Hélicoïdale LM C38A
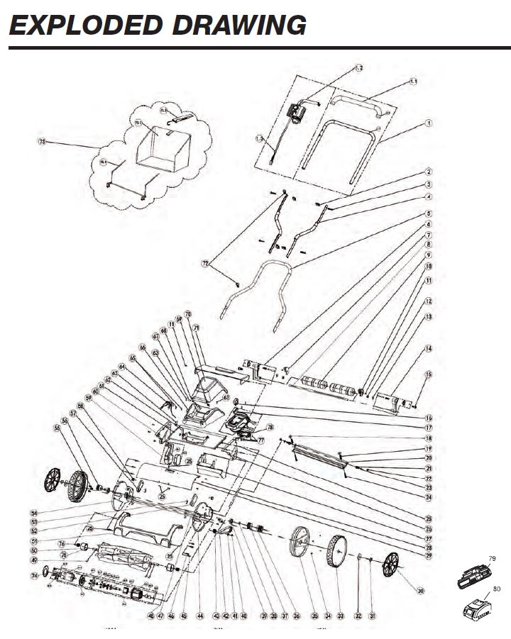
Pièce détachées d’origine Sumec portant la référence 21207004 dont la dénomination est Anneau de saut pour Tondeuse Hélicoïdale LM C38A
Cette pièce détachée de haute qualité dont le fabriquant est Sumec, est conçue pour le remplacement de la(es) référence(s) pour le(s) modèle(s) suivant(s) :
LM C38A
Cette pièce porte le numéro 53 dans le plan éclaté de l’appareil Tondeuse Hélicoïdale LM C38A
Pièces détachées & conso disponible sur Jardin-affaires.com
Pièces détachées & conso Anneau de saut – 21207004 pour LM C38A
Prix conseillé : 891,00 €