Anneau d’amortissement des dents – 1251814000 pour INV T14046, INV T1456 H2, INV T17051 H SPE, INV T17051 SPE, INV T17051 SPE DE

Pièce détachées d’origine Sumec portant la référence 1251814000 dont la dénomination est Anneau d’amortissement des dents pour Tondeuse Thermique INV T14046, Tondeuse Thermique INV T1456 H2, Tondeuse Thermique INV T17051 H SPE, Tondeuse Thermique INV T17051 SPE, Tondeuse Thermique INV T17051 SPE DE, Tondeuse Thermique INV T20053 H SPE, Tondeuse Thermique INV T20053 SPE, Tondeuse Thermique INV T20053 SPE DE
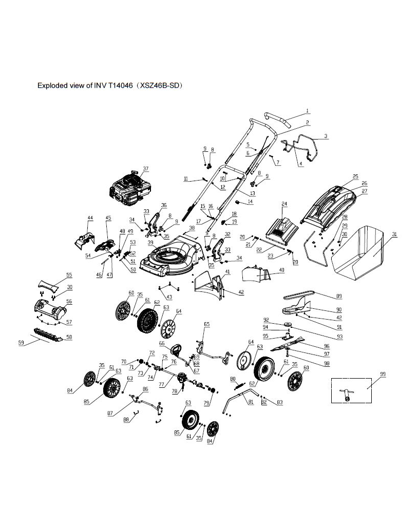
Pièce détachées d’origine Sumec portant la référence 1251814000 dont la dénomination est Anneau d’amortissement des dents pour Tondeuse Thermique INV T14046, Tondeuse Thermique INV T1456 H2, Tondeuse Thermique INV T17051 H SPE, Tondeuse Thermique INV T17051 SPE, Tondeuse Thermique INV T17051 SPE DE, Tondeuse Thermique INV T20053 H SPE, Tondeuse Thermique INV T20053 SPE, Tondeuse Thermique INV T20053 SPE DE
Cette pièce détachée de haute qualité dont le fabriquant est Sumec, est conçue pour le remplacement de la(es) référence(s) pour le(s) modèle(s) suivant(s) :
INV T14046, INV T1456 H2, INV T17051 H SPE, INV T17051 SPE, INV T17051 SPE DE, INV T20053 H SPE, INV T20053 SPE, INV T20053 SPE DE
Cette pièce porte le numéro 53 dans le plan éclaté de l’appareil Tondeuse Thermique INV T14046
Cette pièce porte le numéro 54 dans le plan éclaté de l’appareil Tondeuse Thermique INV T1456 H2
Cette pièce porte le numéro 16 dans le plan éclaté de l’appareil Tondeuse Thermique INV T17051 H SPE
Cette pièce porte le numéro 11 dans le plan éclaté de l’appareil Tondeuse Thermique INV T17051 SPE
Cette pièce porte le numéro 11 dans le plan éclaté de l’appareil Tondeuse Thermique INV T17051 SPE DE
Cette pièce porte le numéro 59 dans le plan éclaté de l’appareil Tondeuse Thermique INV T20053 H SPE
Cette pièce porte le numéro 55 dans le plan éclaté de l’appareil Tondeuse Thermique INV T20053 SPE
Cette pièce porte le numéro 11 dans le plan éclaté de l’appareil Tondeuse Thermique INV T20053 SPE DE
Pièces détachées & conso disponible sur Jardin-affaires.com
Pièces détachées & conso Anneau d’amortissement des dents – 1251814000 pour INV T14046, INV T1456 H2, INV T17051 H SPE, INV T17051 SPE, INV T17051 SPE DE
Prix conseillé : 4,32 €