A quitté le logement – 10204905500001 pour LM C38A

Pièce détachées d’origine Sumec portant la référence 10204905500001 dont la dénomination est A quitté le logement pour Tondeuse Hélicoïdale LM C38A
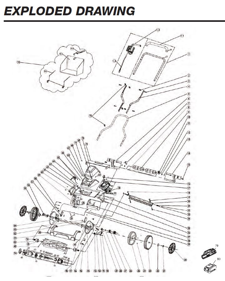
Pièce détachées d’origine Sumec portant la référence 10204905500001 dont la dénomination est A quitté le logement pour Tondeuse Hélicoïdale LM C38A
Cette pièce détachée de haute qualité dont le fabriquant est Sumec, est conçue pour le remplacement de la(es) référence(s) pour le(s) modèle(s) suivant(s) :
LM C38A
Cette pièce porte le numéro 26 dans le plan éclaté de l’appareil Tondeuse Hélicoïdale LM C38A
Pièces détachées & conso disponible sur Jardin-affaires.com
Pièces détachées & conso A quitté le logement – 10204905500001 pour LM C38A
Prix conseillé : 891,00 €